新聞資訊
專用產品

首頁->新聞資訊->公司新聞

公司新聞

矢量控制算法SVPWM與SYPWM

來源: 瀏覽次數:5399 發布時間:2021-06-18

一、SVPWM算法 

image.png

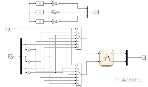
1、根據T1和T2判斷合成矢量Uref所處扇區。 

image.png

2、計算相鄰非零矢量作用時間。 

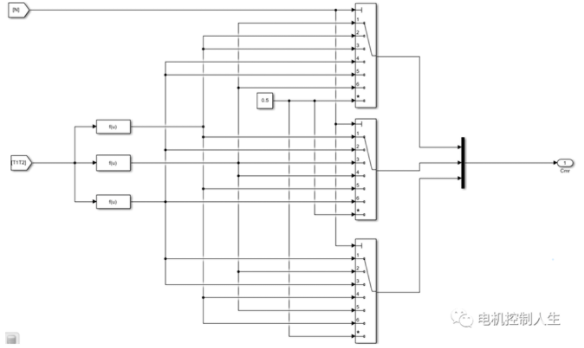
image.png

3、計算扇區內非零矢量和零矢量作用時間。 

image.png

4、將三相占空比寫入比較寄存器。


二、SYPWM算法

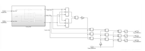
三相電壓包含相電壓基波與諧波,諧波即包含電壓零序分量的三次諧波。下圖為實現的整體模塊和輸入波形

 

image.png

 

SYPWM實現步驟:

1、輸入Alfa電壓、Bete電壓、母線電壓,經過逆Park變換后得到U、V、W相目標電壓;

2、取三項電壓的最大和最小值求和除以2;

3、每項電壓減去2中的結果,加上母線電壓的一半,除以母線電壓;

4、得到三項PWM輸出占空比(輸出結果0-1)。

 

image.png

三、仿真對比

將SVPWM和SYPWM進行仿真,搭建仿真模型進行對比,SVPWM和SYPWM輸出的三相占空比完全重合。

image.png

 

四、結論

SVPWM和SYPWM都可以實現同樣的功能。SVPWM需要計算扇區、矢量作用時間、占空比計算,運算復雜,不利于理解。SYPWM只需要將三相電壓進行拼接和平移,計算量小了很多,不用計算扇區,非常適合高實時性能需求的嵌入式系統。


?

2006-2024 深圳市鼎拓達機電有限公司版權所有 粵ICP備05142847號 技術支持:神州通達網絡

深圳總公司:

電話:0755-25796858 

傳真:0755-25796696 

郵箱:sales@dt-me.com 

地址:廣東省深圳市南山區西麗街道麻磡社區麻磡路18號工業區8棟5樓




華中辦事處:童仁青  18975332020 

地址:湖南省長沙縣星沙大道39號財富港灣1棟2單元1613號

華東辦事處:朱興科 18128820282  

地址:江蘇省蘇州市昆山市昆山開發區四季華城32棟2單元1503

 
微信掃一掃   手機掃一掃
在線客服